Damper de massa sintonizado (DTM)

I. Introdução ao produto
1. Definição do produto
O amortecedor de massa ajustado (DTM para curta) é um dispositivo de redução de vibração subestrutural conectado à estrutura principal. Ele absorve e dissipa a energia de vibração estrutural através do efeito colaborativo de um bloco de massa, mola e amortecedor, suprimindo assim a resposta de vibração da estrutura principal.
2. Componentes principais

- Unidade de massa: gera força inercial para aplicar força de controle à estrutura principal. Geralmente é feito de materiais de alta densidade (como chumbo ou aço) e a massa pode ser ajustada. O bloco de massa é a parte central do amortecedor da TMD e seu tamanho de massa tem um impacto decisivo no efeito de amortecimento, que pode ser ajustado conforme necessário para corresponder à frequência natural da estrutura.
- Unidade de mola: usada para conectar o bloco de massa e a estrutura principal, ajustar a frequência de vibração natural da DTM para corresponder à frequência do modo de destino da estrutura principal, verifique se o bloco de massa pode produzir o movimento reverso correspondente quando a estrutura vibrar e fornecer uma força de redefinição. Molas de metal ou molas de borracha são usadas principalmente.
- Unidade do amortecedor: usado para consumir a energia de movimento relativa entre o bloco de massa e a estrutura principal, impedir que o acúmulo de energia no sistema causasse maior vibração e limite o deslocamento da DTM. Os tipos comuns incluem amortecedores viscosos, amortecedores de atrito ou amortecedores de metal.
3. Vantagens funcionais
- Redução de vibração de alta eficiência: pode reduzir o pico de aceleração da vibração estrutural em mais de 70%.
- Frequência ajustável: adapte -se às características de vibração de diferentes estruturas, otimizando parâmetros (razão de massa, razão de frequência, taxa de amortecimento).
- Instalação conveniente: ele pode ser instalado independentemente na parte superior da estrutura, entre camadas ou componentes de salto longo sem grande modificação na estrutura principal.
- Adaptabilidade ampla: Adequado para o controle de vibração do vento, terremoto ou vibrações induzidas pelo homem em várias estruturas, como arranha-céus, corredores de longa duração, pontes e fundações de equipamentos.
Ii. Princípio de trabalho

1. Mecanismo de redução de vibração
Quando a estrutura principal vibra devido à excitação externa (como vento, terremoto ou atividade da multidão), a DTM produz um movimento relativo oposto à estrutura principal devido à inércia. A força inercial gerada por sua vibração atua na estrutura principal através da mola e do amortecedor, formando um efeito de "absorção de vibração dinâmica". O desempenho específico é:
- A unidade de mola sintoniza a frequência de vibração natural da DTM para a frequência alvo da estrutura principal para produzir um efeito de ressonância, transferindo a energia de vibração da estrutura principal para a DTM.
- A unidade do amortecedor dissipa a energia absorvida pela DTM, reduzindo finalmente a amplitude de vibração da estrutura principal.

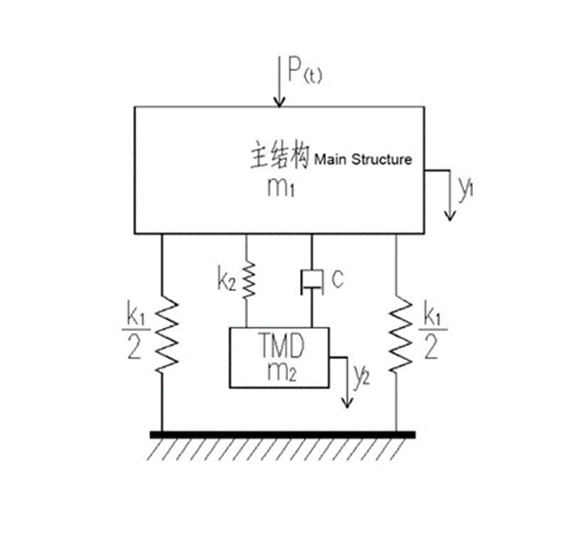
2. Modelo teórico

Onde:
m1, m2: massa da estrutura principal e DTM;
K1, K2: rigidez da estrutura principal e mola de TMD;
Y1, Y2: deslocamentos da estrutura principal e DTM;
C: Coeficiente de amortecimento da TMD;
P (t): excitação externa (como carga harmônica (psinώt)).
3. Otimização de parâmetros -chave
- Razão de massa (μ): μ=m2/m1, o valor recomendado é 0,005 ~ 0,03. Uma proporção de massa maior torna a faixa de frequência de redução de vibração mais ampla, mas o limite de carga da estrutura principal precisa ser considerado.
- Razão de frequência ideal (Δ_Opt): Δ_Opt =
, para corresponder à frequência de vibração da DTM com a frequência da estrutura principal. - Taxa de amortecimento ideal (ζ_Opt): ζ_Opt =
, para garantir alta eficiência.
Iii. Parâmetros técnicos

1. Parâmetros de modelo convencionais
|
Especificação |
Massa total kg |
Rigidez kn/m |
Coeficiente de amortecimento kN ・ s/m |
Frequência aplicável Hz |
Faixa de proporção de massa |
|
TMD-100 |
100~500 |
50~200 |
0.5~2.0 |
1.0~5.0 |
0.005~0.02 |
|
TMD-1000 |
500~2000 |
200~800 |
2.0~8.0 |
0.5~3.0 |
0.01~0.03 |
|
TMD-5000 |
2000~10000 |
800~3000 |
8.0~30.0 |
0.2~1.5 |
0.02~0.03 |
2. Design de parâmetro personalizado
- Faixa de ajuste de frequência: 0,1 ~ 10,0Hz (pode ser ajustado com precisão de acordo com a frequência natural da estrutura principal).
- Ajuste da taxa de amortecimento: 0,02 ~ 0,2 (otimizado pelo tipo de amortecedor e viscosidade do fluido de amortecimento).
- Formulários de instalação: tipo suspenso, tipo suportado, tipo incorporado (selecionado de acordo com o espaço estrutural).
3. Escopo de parâmetro geral
|
Não. |
Parâmetros do produto |
Unidade |
Escopo do parâmetro |
|
1 |
Rigidez total da primavera |
kn/m |
50-500 |
|
2 |
Peso do bloco de massa |
Kg |
100-5000 |
|
3 |
Força de amortecimento da TMD |
KN |
0.3-50 |
|
4 |
Deslocamento da DTM |
Mm |
±15-±60 |
|
5 |
Expoente de amortecimento da TMD |
KN ・ S/M. |
0.2-1.0 |
|
6 |
Velocidade de TMD |
m/s |
0.1-1 |
|
7 |
Dimensão externa da DTM |
mm |
OEM a pedido; Altura: min 300 mm; |
4, inspecionando

4. Recursos do produto
1. Vantagens de desempenho

- Alta eficiência de redução de vibração: para o modo específico da estrutura principal, a resposta da vibração pode ser reduzida em 40%~ 80%, atendendo à especificação de conforto do edifício (como aceleração vertical menor ou igual a 0,15m/s²).
- Forte robustez: tem certa adaptabilidade às flutuações estruturais dos parâmetros (como degradação da rigidez e mudança de massa). O amortecedor de massa sintonizado múltiplo (MTMD) pode ampliar ainda mais a banda de frequência de redução de vibração.
2. Inovações técnicas
- TMD ativo (ATMD): integrado a sensores e atuadores, ele pode ajustar a força de controle em tempo real, adequada para fortes condições de terremoto ou de carga complexa (como o ATMD baseado em controle PID no Documento 3, o que melhora o efeito de redução de vibração em 20%~ 30%).
- Design do modelo físico: otimiza detalhes estruturais com base na análise de elementos finitos (como ANSYS), considerando o trabalho colaborativo do bloco de massa, mola e amortecedor, que está mais próximo das condições de trabalho reais do que o modelo de partícula tradicional.
3. Economia
- Vantagem de custo: Comparado com o reforço estrutural tradicional, o custo é reduzido em 30%~ 50%, especialmente adequado para a transformação de redução de vibração dos edifícios existentes.
- Vida de serviço longo: a vida útil do design dos principais componentes (bloco de massa, primavera) é maior ou igual a 50 anos, o amortecedor pode ser substituído e o custo de manutenção é baixo.
V. Cenários de aplicativos

1. Engenharia de construção
- Prédios altos: controle a aceleração superior causada pela vibração do vento e melhore o conforto da vida.
- Estruturas de longo prazo: Controle de vibração induzida pelo homem de corredores de longo prazo e telhados do estádio.
- Sistemas de piso: Controle de vibração da caminhada do prédio de escritórios e do shopping pisos para resolver o problema de "vibração do trampolim".
2. Engenharia de pontes
- Pontes estaiadas e pontes de suspensão: suprimir o vibração induzida pelo vento e a vibração induzida por vórtice.
- Pontes de pedestres: impedem a ressonância causada por uma multidão densa e garanta segurança no trânsito.
3. Equipamento industrial
- Fundamentos de grandes equipamentos de energia: absorver vibrações geradas pela operação da máquina e proteger a precisão do equipamento e as estruturas circundantes.
- Sistemas de pipeline: suprimem as vibrações causadas pela pulsação do fluido e reduzem os danos à fadiga.
Vi. Instalação e manutenção

1. Processo de instalação

- Análise da condição de trabalho: determine a frequência natural, a forma do modo e a posição de vibração mais desfavorável da estrutura principal através da análise modal.
- Projeto de parâmetros: otimize os parâmetros de TMD de acordo com a razão de massa e a relação de frequência e determine o número e a posição das instalações.
- Instalação fixa: corrija a base de TMD nas vigas estruturais, colunas ou suportes com parafusos ou soldagem de alta resistência para garantir a rigidez da conexão.
- Depuração e aceitação: teste o status de funcionamento da DTM através de um excitador e ajuste os parâmetros do amortecedor para obter o melhor efeito de redução de vibração.
2. Pontos de manutenção
- Inspeção regular: inspecione o aperto do parafuso, a deformação da mola e o vazamento de óleo do amortecedor a cada 1 ~ 2 anos.
- Substituição do amortecedor: substitua o amortecedor no tempo em que a força de amortecimento decai em mais de 20% (geralmente a vida útil do serviço é de 10 a 15 anos).
- Redefinição do parâmetro: Se a estrutura principal for modificada (como adicionar pisos ou reduzir o peso), reavalie e ajuste os parâmetros de TMD.
Vii. Precauções
- Combinação de parâmetros: os parâmetros de TMD precisam ser ajustados com precisão com a estrutura principal para evitar reduzir o efeito de redução da vibração ou até ampliar a vibração devido à incompatibilidade de frequência.
- Espaço de instalação: reserve o espaço de movimento suficiente para a DTM (AVC maior ou igual a ± 50 mm) para evitar colisões com outros componentes.
- Adaptabilidade ambiental: Os revestimentos anticorrosão (como revestimentos de liga de zinco-níquel) são necessários em ambientes úmidos e líquido de amortecimento resistente à temperatura de alta temperatura (resistência à temperatura maior ou igual a 120 graus) deve ser selecionada em locais de alta temperatura.
- Redundância de segurança: para estruturas importantes (como projetos de linha de vida), é recomendável configurar a TMD em espera ou vários sistemas de ajuste para melhorar a confiabilidade.
Viii. Referências de casos

1. Redução de vibração do corredor de construção comercial
- Problema: A frequência de vibração natural vertical do corredor de 36m de extensão é de 2,92Hz, e a aceleração de pico sob carga de pedestres é de 0,225m/s², excedendo o requisito de especificação (menor ou igual a 0,15m/s²).
- Solução: Instale 1 TMD (massa 1521kg, rigidez 511,39kn/m, coeficiente de amortecimento 2.389kn · s/m).
- Efeito: A aceleração de pico é reduzida para 0,052m/s², uma diminuição de 76,89%e a frequência de vibração natural é ajustada para 2,78Hz, atendendo aos requisitos de conforto.
2. Controle de vibração do vento de arranha-céus
- Projeto: um edifício de escritórios de 200m com uma aceleração superior de 0,18m/s² sob vibração do vento (limite de especificação 0,15m/s²).
- Solução: Instale 4 MTMDs no piso superior (a massa total é responsável por 0,5% da massa estrutural), com uma cobertura de frequência de 1,2 ~ 1,8Hz.
- Efeito: A aceleração superior é reduzida para 0,12m/s², a resposta da vibração do vento é reduzida em 33,3%e o pessoal interno não tem sensação de agitação óbvia.
Ix. Serviços técnicos
- Consultoria e design: Forneça análise de vibração estrutural, otimização de parâmetros de TMD e design do esquema, suportando simulação de elementos finitos (como ANSYS, YJK).
- Produção personalizada: personalize as especificações da DTM de acordo com as necessidades do projeto e forneça modelagem 3D e teste de modelo físico.
- Instalação e depuração: equipe profissional para instalação no local, equipada com um sistema de monitoramento de vibração para otimizar o efeito de redução de vibração em tempo real.
- Garantia pós-venda: Forneça uma garantia de 5 anos, suporte de manutenção ao longo da vida e visitas regulares de retorno para detectar o status do equipamento.


Tag: Damper de massa ajustado (DTM), Fabricantes de amortecedor de massa ajustados da China (DTM), fornecedores, produtos anti-vibração, amortecimento da vibração, Harmonizador de vibração, supressão de vibração, transdutor de vibração, Verificação de vibração








